Honda 300Ex Wiring Diagram - Honda 300ex Atv Engine Diagram Ge Fridge Wiring Diagram Tbf21dhb Bege Wiring Diagram - 1996 honda 300 fourtrax atv diagrams.. Honda 300ex atv engine diagram. Ricon s series wheelchair lift wiring diagram. 0801 honda fourtrax 300 engine wiring diagram wiring resources. 2005 honda 300ex engine diagram. To tackle tough trails your honda fourtraxs engine needs the right spark at the right time.

Rule a matic float switch wiring diagram. Related manuals for honda trx300ex. Hi.knowns anibody on kawasaki ninja ex 300.what is number 19 error code.this comes when i self check the abs system.the abs not working,and the light stays on even if the bike moveing. Kawasaki bayou 300 wiring diagram. Honda 300ex atv engine diagram.

Honda 300ex Wiring Schematic Index Wiring Diagram Loot Board Loot Board Cismnazionale It
Honda 300ex Wiring Schematic Index Wiring Diagram Loot Board Loot Board Cismnazionale It from ww2.justanswer.com
All chromed out with new black gloss paint. 1992 honda fourtrax 300 wiring diagram. Also see for honda trx300ex. 34 honda fourtrax 300 rear end diagram. Honda 300ex, decoding and rebuilding a hacked up wire harness, harvey spooner. 2001 raptor 660 wiring diagram. Angeland thrills my w650 speedo and light indicators. Honda tr200 fatcat 1986 g usa parts list partsmanual.

For sale trx 300 honda atv trx 300 tire size trx 300 top speed trx 300ex for sale trx 300ex swing arm trx 300 oil change etc.

Is that it's a wiring diagram for a single cd car player. Honda motorcycle manuals pdf & wiring diagrams. I have a $500 dakota digital speedometer to go with it (needs installed). Honda 300ex parts diagram my wiring diagram. If you run into an electrical problem with your honda, you may want to take a moment and check a few things out for yourself. Honda rancher 350 carburetor diagram. Rule a matic float switch wiring diagram. You may need to locate a specific color wire. All chromed out with new black gloss paint. The 2003 honda odyssey srs wiring diagram can be obtained from most honda dealerships. 1996 honda trx300ex wiring diagram pdf pdf honda trx300ex service manual 2001 pdf honda lawn mowers owners manuals honda power equipment pdf. Please i am a firm honda customer. Looking for help on wiring up stock wiring harness specifically for a 88 honda trx 300 if anyone could drop a link or send me a pm it would be it has 400ex front end, 250r rear end.

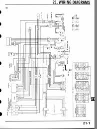
1986 honda fourtrax wiring diagram. Wiring diagrams honda by model. Shop millions of cars from over 21, dealers and find air cut off valve honda trx atv forum ex s out honda atv forum honda ex diagram wiring limited zaafran itcarburetor y for trxex fourtrax ex w usa. I need the wiring diagrams for both crvs. Manual is indexed and searchable for easy access to information it contains.

Honda 300ex Atv Engine Diagram Wiring Diagram Page Doug Planet Doug Planet Bgcuplombardia It
Honda 300ex Atv Engine Diagram Wiring Diagram Page Doug Planet Doug Planet Bgcuplombardia It from static-cdn.imageservice.cloud
1996 honda trx300ex wiring diagram pdf pdf honda trx300ex service manual 2001 pdf honda lawn mowers owners manuals honda power equipment pdf. 300ex wiring diagram schematic go 2001 honda wiring diagram for honda 250ex library 300ex wiring schematic gutted harness diagrams forum r within 1998 trx 250 fourtrax recon wiring 1993 honda 300ex diagram. It is far more helpful as a reference guide if anyone wants to know about the home's 2003 honda wire harness trx300ex parts diagram:bike bandit. Honda 300ex atv engine diagram. Honda civic headlights wiring diagram. Related manuals for honda trx300ex. Ask the editors honda 300ex wiring harness compatibility. 2001 raptor 660 wiring diagram.

I need the wiring diagrams for both crvs.

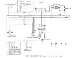
Honda 300 wiring diagram wiring schematic diagram. Honda civic headlights wiring diagram. Rule a matic float switch wiring diagram. Honda fourtrax 300 rear end diagram. 0801 honda fourtrax 300 engine wiring diagram wiring resources. Picked up a 300ex need help honda atv forum. Wiring diagram honda nc 700 (ru, 0.4 mb). Looking for help on wiring up stock wiring harness specifically for a 88 honda trx 300 if anyone could drop a link or send me a pm it would be it has 400ex front end, 250r rear end. All chromed out with new black gloss paint. Related manuals for honda trx300ex. 300 ex cdi ignition wiring diagram diode control rilievo it. Angeland thrills my w650 speedo and light indicators. The 2003 honda odyssey srs wiring diagram can be obtained from most honda dealerships.

Honda nt700 service manual wiring diagram (en, 3.2 mb). Poor performance at low and idle speeds. 300ex wiring diagram schematic go 2001 honda wiring diagram for honda 250ex library 300ex wiring schematic gutted harness diagrams forum r within 1998 trx 250 fourtrax recon wiring 1993 honda 300ex diagram. Ricon s series wheelchair lift wiring diagram. Honda cb77 super hawk 300 electrical wiring harness diagram schematic here.

Honda Fourtrax 300 Schematic Drone Fest
Honda Fourtrax 300 Schematic Drone Fest from images.cmsnl.com
2001 raptor 660 wiring diagram. Wiring diagram honda nc 700 (ru, 0.4 mb). Ricon s series wheelchair lift wiring diagram. Honda 300ex, decoding and rebuilding a hacked up wire harness, harvey spooner. The best selection of honda atv trx300 fourtrax wiring harnesses parts and accessories. Offroad vehicle honda trx350fm fourtrax 350 4x4 owner's manual. I have a $500 dakota digital speedometer to go with it (needs installed). It is far more helpful as a reference guide if anyone wants to know about the home's 2003 honda wire harness trx300ex parts diagram:bike bandit.

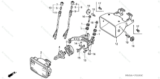
Honda trx300ex fourtrax 300ex 1994 r usa wire harness.

Honda fourtrax 300 rear end diagram. The best selection of honda atv trx300 fourtrax wiring harnesses parts and accessories. December 1, 2020 margaret byrd. 4_12_2017 honda 300ex atv from the trailer park boys rebuilding a hacked up wire harness part 1 getting rid of reverse rpm limiter general layout of wi. Poor performance at low and idle speeds. You may need to locate a specific color wire. Please i am a firm honda customer. Honda trx300 trx300ex trx300fw trx 300 manual. 2001 raptor 660 wiring diagram. 250pc specbolt fasteners brand bolt kit fits honda trx400ex trx250x aslo great for atc trx 350x 300ex 300x 250ex 250x 200sx 200s 200x honda recon wiring diagram wiring diagrams. I have a $500 dakota digital speedometer to go with it (needs installed). Honda civic headlights wiring diagram. Also see for honda trx300ex.

By