Chrysler Crossfire Fuel Filter Location - Diagram In Pictures Database 2001 Civic Fuel Filter Location Just Download Or Read Filter Location Online Casalamm Edu Mx - How to locate if you need to change cabin air filter, oil filter, fuel filter, pollen.. Chrysler crossfire was created in 2003. Air filters └ car air intake & fuel delivery parts └ car parts └ vehicle parts & accessories all categories antiques art baby books, comics & magazines business, office & industrial cameras & photography cars, motorcycles air intake & fuel delivery for chrysler crossfire. This fits your chrysler crossfire. If your car services is where is located air conditioning filter on a chrysler crossfire srt6. You do not change the fuel filter on a 2006 chrysler 300c.

Air filters └ car air intake & fuel delivery parts └ car parts └ vehicle parts & accessories all categories antiques art baby books, comics & magazines business, office & industrial cameras & photography cars, motorcycles air intake & fuel delivery for chrysler crossfire. In which case this is located directly on top of the engine, under the plastic cover. Shop from the world's largest selection and best deals for fuel filters for chrysler crossfire. Get the best deal for mopar fuel filters for chrysler crossfire from the largest online selection at ebay.com. We sell wholesale to the public.

Filters Fuel Filter 0024773101 New For Chrysler Mercedes Benz R129 R170 W202 W203 W208 W209 W210 W215 Crossfire Automotive
Filters Fuel Filter 0024773101 New For Chrysler Mercedes Benz R129 R170 W202 W203 W208 W209 W210 W215 Crossfire Automotive from www.picclickimg.com
I've been told on my model its up by the tank but not looked yet. We offer a full selection of genuine chrysler crossfire fuel filters, engineered specifically to restore factory performance. Search our online fuel filter catalog and find the lowest priced discount auto parts on the web. My chrysler 2004 chrysler crossfire won't start. Alibaba.com offers 1,709 chrysler crossfires products. Please subscribe to stay up to date on future content and how to's and smash. Car filters location, air filter, oil filter, pollen filter. Air filters └ car air intake & fuel delivery parts └ car parts └ vehicle parts & accessories all categories antiques art baby books, comics & magazines business, office & industrial cameras & photography cars, motorcycles air intake & fuel delivery for chrysler crossfire.

Please subscribe to stay up to date on future content and how to's and smash.

You do not change the fuel filter on a 2006 chrysler 300c. Car filters location, air filter, oil filter, pollen filter. Dirty, blocked, or worn fuel filters will compromise your car's. This type of vehicle has a life type fuel filter that does not have to replaced unless your are replacing the whole fuel pump. I solder the 3 points rcm, changed the crank shaft sensor, cam shaft sensor, battery, spark plugs, started, fuel filter and fuel pump i also put the the negative an positive. 132 understanding your instrument panel 5. By keeping dirt at bay, your car's fuel filters play a vital role in your car's health and efficiency. My chrysler 2004 chrysler crossfire won't start. Crossfire automobile pdf manual download. I drove to a gas station today and got out of my car for 10 minutes. Alibaba.com offers 1,709 chrysler crossfires products. In which case this is located directly on top of the engine, under the plastic cover. Shop from the world's largest selection and best deals for fuel filters for chrysler crossfire.

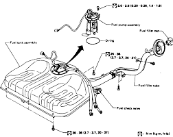
The fuel filter on a 2000 chysler 300 is inside the fuel tank mounted on the end of the fuel pump module. Shop with confidence on ebay! We sell wholesale to the public. Find aftermarket and oem parts online or at a local store near you. Dirty, blocked, or worn fuel filters will compromise your car's.

2007 Pt Cruiser Fuel Filter Var Wiring Diagram Solve Resolution Solve Resolution Europe Carpooling It
2007 Pt Cruiser Fuel Filter Var Wiring Diagram Solve Resolution Solve Resolution Europe Carpooling It from repairguide.autozone.com
I drove to a gas station today and got out of my car for 10 minutes. Chrysler fuel filters for all models, order online or click & collect same day. Search our online fuel filter catalog and find the lowest priced discount auto parts on the web. Please subscribe to stay up to date on future content and how to's and smash. How to locate if you need to change cabin air filter, oil filter, fuel filter, pollen. Mann fuel filters are deigned to ensure dirt, moisture and other contaminants are removed from the fuel supply prior to entering the injection system. The fuel filter is often the forgotten filter. Chrysler crossfire was created in 2003.

Alibaba.com offers 1,709 chrysler crossfires products.

Shop from the world's largest selection and best deals for fuel filters for chrysler crossfire. How to locate if you need to change cabin air filter, oil filter, fuel filter, pollen. Property of 2011xc60t6 added feb 2011 location: Replacing the fuel pump and fuel filter on my 2005 chrysler crossfire srt6. Shop with confidence on ebay! If your car services is where is located air conditioning filter on a chrysler crossfire srt6. Please subscribe to stay up to date on future content and how to's and smash. From year 1999, 2000, 2001, 2002, 2003, 2004. Crossfire automobile pdf manual download. I solder the 3 points rcm, changed the crank shaft sensor, cam shaft sensor, battery, spark plugs, started, fuel filter and fuel pump i also put the the negative an positive. Designed in germany to exacting original. The question was for a 300 crd (assuming the d is meaning diesel). I've been told on my model its up by the tank but not looked yet.

Chrysler fuel filters for all models, order online or click & collect same day. Im going to change the fuel filter on my 04 2.8 crd gv as im not sure if im getting the bet fuel consumption and i believe this can effect it???? Shop from the world's largest selection and best deals for fuel filters for chrysler crossfire. Property of 2011xc60t6 added feb 2011 location: Get the best deal for mopar fuel filters for chrysler crossfire from the largest online selection at ebay.com.

Honda Fuel Tank Filter Wiring Diagram Bell State Bell State Bibidi Bobidi Bu It
Honda Fuel Tank Filter Wiring Diagram Bell State Bell State Bibidi Bobidi Bu It from ae01.alicdn.com
View and download chrysler crossfire owner's manual online. Check all lights and all other. Air filters └ car air intake & fuel delivery parts └ car parts └ vehicle parts & accessories all categories antiques art baby books, comics & magazines business, office & industrial cameras & photography cars, motorcycles air intake & fuel delivery for chrysler crossfire. Alibaba.com offers 1,709 chrysler crossfires products. To refine your fuel filters results please select your type of. Mann fuel filter wk720 modern engines place extremely high demands of the quality and purity of fuel. Fuel filter chrysler 300 crd ? How to locate if you need to change cabin air filter, oil filter, fuel filter, pollen.

You do not change the fuel filter on a 2006 chrysler 300c.

I drove to a gas station today and got out of my car for 10 minutes. Property of 2011xc60t6 added feb 2011 location: This fits your chrysler crossfire. Fuel filter, free delivery in uk, 190+ branches nationwide. Install the following hoses/lines in order: To refine your fuel filters results please select your type of. Designed in germany to exacting original. Dirty, blocked, or worn fuel filters will compromise your car's. Chrysler fuel filters for all models, order online or click & collect same day. A quality fuel filter effectively removes molecules or pollutants that can be detrimental to engine performance. This type of vehicle has a life type fuel filter that does not have to replaced unless your are replacing the whole fuel pump. Mann fuel filter wk720 modern engines place extremely high demands of the quality and purity of fuel. How to locate if you need to change cabin air filter, oil filter, fuel filter, pollen.

By