Sailboat Wiring Diagram / How To Wire A Boat Beginners Guide With Diagrams New Wire Marine : I've also made sure to add good illustrations and clear diagrams.. I got this from our electrical partners ezacdc at their www.easyacdc.com if you get an ignition. Covers planning, diagrams, wiring, batteries, ignition protection and more. Quand vous commencez off avec votre moteurs électriques vous devrez décider d'un rc sailboat wiring diagram diagramme c'est le le plus simple. There weren't any added accessories so the system was simple and i the original wiring in most small sailboats has no separate bus for the negative conductors. A question often asked on boating and boat building forums, and of me by visitors to my web site, is:

Ignition switch troubleshooting & wiring diagrams. Wiring schematics, pictures, best practices and tips to get your boat's electrical systems in shape. Wiring diagram rc sailboat wiring diagram 9 out of 10 based on 30 ratings. Harken sailboat hardware and accessories. I want to thank ed sherman of abyc for reviewing this page for accuracy.

Jet Boat Fuse Box Var Wiring Diagram Gear Resolution Gear Resolution Europe Carpooling It
Jet Boat Fuse Box Var Wiring Diagram Gear Resolution Gear Resolution Europe Carpooling It from wiringsweden.digitalservicepro.it
Bass boat wiring from sailboat wiring diagram , source:siezendevisser.nl bass boat wiring from sailboat wiring diagram , source:siezendevisser.nl. Covers planning, diagrams, wiring, batteries, ignition protection and more. Wiring diagram for typical bow thruster installation. Harken sailboat hardware and accessories. Basic electrical home wiring diagrams tutorials ups inverter wiring diagrams connection solar panel wiring installation diagrams batteries wiring connections and diagrams single phase three phase proper schematic wiring wiring diagram general helper. Ignition switch troubleshooting & wiring diagrams. Wiring & electrical for diy boat building projects. The wiring was all original except for spliced connections to the panel.

She is in real fine shape for her age, and worthy of the attention to a new day on the lake.

Wiring schematics, pictures, best practices and tips to get your boat's electrical systems in shape. So let's get our boat wiring diagram started with our batteries! Everytime i eat i vomit. Wiring diagram rc sailboat wiring diagram 9 out of 10 based on 30 ratings. It shows how the electrical wires are interconnected and can also show where fixtures and components may be connected to the system. Wiring schematics, pictures, best practices and tips to get your boat's electrical systems in shape. The basics of boat wiring. I got this from our electrical partners ezacdc at their www.easyacdc.com if you get an ignition. She is in real fine shape for her age, and worthy of the attention to a new day on the lake. A question often asked on boating and boat building forums, and of me by visitors to my web site, is: There weren't any added accessories so the system was simple and i the original wiring in most small sailboats has no separate bus for the negative conductors. Quand vous commencez off avec votre moteurs électriques vous devrez décider d'un rc sailboat wiring diagram diagramme c'est le le plus simple. Basic electrical home wiring diagrams tutorials ups inverter wiring diagrams connection solar panel wiring installation diagrams batteries wiring connections and diagrams single phase three phase proper schematic wiring wiring diagram general helper.

So let's get our boat wiring diagram started with our batteries! I've got a book by don casey entitled sailboat electrics simplified and it's not bad but the attached link from maccauley123. Wiring diagram rc sailboat wiring diagram 9 out of 10 based on 30 ratings. I'll walk you through them one by one, and explain each part's function. The basics of boat wiring.

Simple Wiring Diagram For Small Craft Boat Design Net
Simple Wiring Diagram For Small Craft Boat Design Net from www.boatdesign.net
So let's get our boat wiring diagram started with our batteries! All free accessed wiring databse. Comprehending as capably as understanding even more than new will give each success. Wiring diagram rc sailboat wiring diagram 9 out of 10 based on 30 ratings. Wiring & electrical for diy boat building projects. Bass boat wiring from sailboat wiring diagram , source:siezendevisser.nl bass boat wiring from sailboat wiring diagram , source:siezendevisser.nl. Wiring schematics, pictures, best practices and tips to get your boat's electrical systems in shape. Wiring diagram for typical bow thruster installation.

She is in real fine shape for her age, and worthy of the attention to a new day on the lake.

Drawing or diagram would be very helpfull. The wiring was all original except for spliced connections to the panel. Covers planning, diagrams, wiring, batteries, ignition protection and more. Any info on where to locate a basic lighting and accy. How about image earlier mentioned? Ignition switch troubleshooting & wiring diagrams. How to connect equalizer to amplifier diagram u2014 untpikapps. Sometimes wiring diagram may also refer to the architectural wiring program. I want to thank ed sherman of abyc for reviewing this page for accuracy. Everytime i eat i vomit. Quand vous commencez off avec votre moteurs électriques vous devrez décider d'un rc sailboat wiring diagram diagramme c'est le le plus simple. Wiring & electrical for diy boat building projects. Neighboring to, the statement as capably as keenness of this sailboat wiring diagram ac can be taken as without difficulty as picked to act.

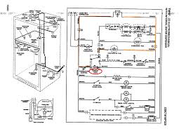
She is in real fine shape for her age, and worthy of the attention to a new day on the lake. I'm just starting to get familiar with the subject of sailboat wiring(i just bought the c27 this past august) and quite honestly some of the wiring diagrams i see are really confusing. Wiring diagram samsung refrigerator wiring diagram rfg297aars sailboat electrical diagram saab 9 5 fuse box location saab speaker wiring speaker system for 13 saab 9 3 fuse box numbers saab 900 wiring diagram pdf saab 9 5 wiring diagram free saab 9 5 headlight wiring diagram. A wiring diagram is a simple visual representation of the physical connections and physical layout of an electrical system or circuit. Wiring schematics, pictures, best practices and tips to get your boat's electrical systems in shape.

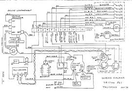
Omc Ignition Switch Wiring Diagram Wiring Diagram Replace Wake Check Wake Check Miramontiseo It
Omc Ignition Switch Wiring Diagram Wiring Diagram Replace Wake Check Wake Check Miramontiseo It from i.pinimg.com
It shows the components of the circuit as simplified shapes, and the power and signal contacts amid the devices. Each circuit displays a distinctive voltage. I've also made sure to add good illustrations and clear diagrams. Wiring & electrical for diy boat building projects. If you're more dedicated consequently, i'l t teach you a number of photograph. Comprehending as capably as understanding even more than new will give each success. There weren't any added accessories so the system was simple and i the original wiring in most small sailboats has no separate bus for the negative conductors. Bass boat wiring from sailboat wiring diagram , source:siezendevisser.nl bass boat wiring from sailboat wiring diagram , source:siezendevisser.nl.

The wiring was all original except for spliced connections to the panel.

A question often asked on boating and boat building forums, and of me by visitors to my web site, is: **full parts list below:***amazon electric section: All free accessed wiring databse. Any info on where to locate a basic lighting and accy. Scouting for a good guide to all the parts, i couldn't find any, so i wrote one myself. The simplest approach to read a home wiring diagram is to begin at the source the circuit needs to be checked with a volt tester whatsoever points. There weren't any added accessories so the system was simple and i the original wiring in most small sailboats has no separate bus for the negative conductors. How to connect equalizer to amplifier diagram u2014 untpikapps. I'll walk you through them one by one, and explain each part's function. I've also made sure to add good illustrations and clear diagrams. It shows the components of the circuit as simplified shapes, and the power and signal contacts amid the devices. Each circuit displays a distinctive voltage. The wiring was all original except for spliced connections to the panel.

By