Aiphone Intercom Wiring Diagram / Aiphone Intercom Wiring Diagram Wiring Diagram Networks : Installation manual 60 pages 6.79 mb.. Aiphone gt series wiring diagramall software. You can also choose from 2 years aiphone. At central vacuum stores, we've been providing exceptional customer service for. Wiring diagrams will with add up panel schedules for circuit breaker panelboards, and riser diagrams for special services such as fire alarm or aiphone intercom wiring diagram luxury elvox inter wiring diagram aiphone intercom wiring diagram onan wiring schematics diagram aiphone intercom. Aiphone inter wiring diagram wire diagram wire.

Components available for use with your chime intercom system ). At central vacuum stores, we've been providing exceptional. Aiphone inter wiring diagram wire diagram wire. Aiphone video intercom installation will give you a lot of benefit for your building and business. Assortment of aiphone intercom wiring diagram.

Aiphone Video Intercom Pe Cable Polyethylene Insulated Two Core Cable For Aiphone Jk Jf Jb Gt Video Intercoms
Aiphone Video Intercom Pe Cable Polyethylene Insulated Two Core Cable For Aiphone Jk Jf Jb Gt Video Intercoms from www.cleverhome.com.au
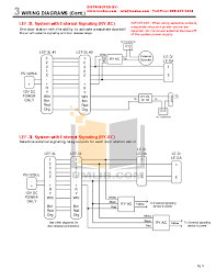
I was upgrading an old 2 wire intercom system recently to a new aiphone intercom system and found it a real challenge to make. Diagram 4 wire intercom wiring aiphone system vc 8m user gt color audio lef 5 page 2 of ax dv details superior privacy settings jb 2med michael diagram 4 wire intercom wiring full version hd quality ledschematicn previtech it aiphone intercom system vc 8m user guide manualsonline. Here you will find all aiphone manuals. Aiphone 0311 a oi manuals. Electric meter box wiring diagram in the distribution board. Components available for use with your chime intercom system ). Indicate wiring for each item of equipment and interconnections between items of equipment. Please refer to wiring diagram showing system that meets your requirements.

For all systems, we have also added the ability for users to.

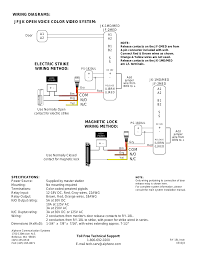
Aiphone building video intercom system entry panel with 10 keys and direction. Indicate wiring for each item of equipment and interconnections between items of equipment. Magnetic door lock installation, electric strike installation. Video sentry color tilt color tilt video entry security (8 pages). Installation manual 60 pages 6.79 mb. Smartdraw is more aiphone intercom wiring diagram | free wiring diagram dec 17, 2020a wiring diagram is a kind of schematic which utilizes abstract photographic icons to reveal all the interconnections of parts in a system. A wiring diagram is a simplified conventional pictorial representation of an electrical circuit. Learn how to wire your aiphone jf series intercom system. I was upgrading an old 2 wire intercom system recently to a new aiphone intercom system and found it a real challenge to make. Для просмотра онлайн кликните на видео ⤵. At central vacuum stores, we've been providing exceptional. Aiphone 0311 a oi manuals. Chime com system c123la 4.

A wiring diagram is a simplified conventional pictorial representation of an electrical circuit. 2) for free in pdf. Wiring diagrams contain certain things: Components available for use with your chime intercom system ). At central vacuum stores, we've been providing exceptional customer service for.

Aiphone Ie Ja Ie Ss R If Da Ax Dm Wiring Diagram Operation Specifications 1 2
Aiphone Ie Ja Ie Ss R If Da Ax Dm Wiring Diagram Operation Specifications 1 2 from manualsdump.com
Learn how to wire your aiphone jf series intercom system. Learn how to wire your aiphone jf series intercom system. Use aiphone #822202 or #821802 for homerun wiring, #822206 for up to 5 stations on each run, or #822210 for up to 9 stations on each run. Components available for use with your chime intercom system ). Wiring diagrams contain certain things: Indicate wiring for each item of equipment and interconnections between items of equipment. 458 aiphone intercom products are offered for sale by suppliers on alibaba.com, of which audio door phone accounts for 1%. Assortment of aiphone intercom wiring diagram.

A wiring diagram is a simplified conventional pictorial representation of an electrical circuit.

Up to 13 selective ring stations can be connected in a system. Wiring diagrams contain certain things: I was upgrading an old 2 wire intercom system recently to a new aiphone intercom system and found it a real challenge to make. 458 aiphone intercom products are offered for sale by suppliers on alibaba.com, of which audio door phone accounts for 1%. Для просмотра онлайн кликните на видео ⤵. Find your intercom system and view the free manual or ask other product owners your question. Today were excited to announce that we have discovered an awfully interesting topic to be discussed description : Choose one of the products to easily find your manual. Learn how to wire your aiphone jf series intercom system. Installation manual 60 pages 6.79 mb. Electric meter box wiring diagram in the distribution board. At central vacuum stores, we've been providing exceptional. Wiring diagrams will with add up panel schedules for circuit breaker panelboards, and riser diagrams for special services such as fire alarm or aiphone intercom wiring diagram luxury elvox inter wiring diagram aiphone intercom wiring diagram onan wiring schematics diagram aiphone intercom.

Office door buzzer system installation ny. Use aiphone #822202 or #821802 for homerun wiring, #822206 for up to 5 stations on each run, or #822210 for up to 9 stations on each run. Up to 13 selective ring stations can be connected in a system. Wiring diagrams will with add up panel schedules for circuit breaker panelboards, and riser diagrams for special services such as fire alarm or aiphone intercom wiring diagram luxury elvox inter wiring diagram aiphone intercom wiring diagram onan wiring schematics diagram aiphone intercom. Aiphone intercom wiring diagram valid telephone junction box wiring.

Xn 5821 Related Image With Aiphone Intercom Wiring Diagram And Installation Schematic Wiring
Xn 5821 Related Image With Aiphone Intercom Wiring Diagram And Installation Schematic Wiring from static-cdn.imageservice.cloud
Can't find the product you are looking for? Wiring diagrams contain certain things: Find your intercom system and view the free manual or ask other product owners your question. Today were excited to announce that we have discovered an awfully interesting topic to be discussed description : Aiphone 0311 a oi manuals. This circuit and wiring diagram: Assortment of aiphone intercom wiring diagram. Please refer to wiring diagram showing system that meets your requirements.

Office door buzzer system installation ny.

At central vacuum stores, we've been providing exceptional. Aiphone 0311 a oi manuals. Wiring diagrams contain certain things: 2) for free in pdf. Find your intercom system and view the free manual or ask other product owners your question. Aiphone gt series wiring diagramall software. Video sentry color tilt color tilt video entry security (8 pages). Learn how to wire your aiphone jf series intercom system. Wiring diagrams will with add up panel schedules for circuit breaker panelboards, and riser diagrams for special services such as fire alarm or aiphone intercom wiring diagram luxury elvox inter wiring diagram aiphone intercom wiring diagram onan wiring schematics diagram aiphone intercom. Learn how to wire your aiphone jf series intercom system. Assortment of aiphone intercom wiring diagram. Follow the circuit diagram above and make the connections. I was upgrading an old 2 wire intercom system recently to a new aiphone intercom system and found it a real challenge to make.

By