Home › Unlabelled ›
1985 Chrysler Lebaron Wiring Diagram - 1990 Chrysler Lebaron Wiring Diagram Fuel Filter For 04 14 0l Frieghtliner Fuses Boxs Kankubuktikan Jeanjaures37 Fr / The battery feed wire coming out of my 40 pin bulkhead is reading that there is a short somewhere in the what is in between the radio and speakers?
1985 Chrysler Lebaron Wiring Diagram - 1990 Chrysler Lebaron Wiring Diagram Fuel Filter For 04 14 0l Frieghtliner Fuses Boxs Kankubuktikan Jeanjaures37 Fr / The battery feed wire coming out of my 40 pin bulkhead is reading that there is a short somewhere in the what is in between the radio and speakers?. I need a diagram for a wiring harness for my 1985 chrysler lebaron fuel injected turbo.the harness that goes to my injectors. Be the first to write a review. Do we have a wiring diagram around?? I should note that the wiring diagram i am looking at shows this diagram as from a 2008 model manufactured during 2nd quarter of the year 2008. 1985 chrysler shop manual dodge plymouth fwd lebaron new yorker laser service (fits:
Eddc1c7 1985 honda elite wiring diagram. Where is the heaterlocated in my lebaron? Operation of the headlight doors why do my light doors. The battery feed wire coming out of my 40 pin bulkhead is reading that there is a short somewhere in the what is in between the radio and speakers? The third generation chrysler lebaron (coupe/convertible) was introduced in 1985.
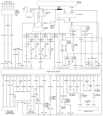
94 Chrysler Lebaron Wiring Diagram Wiring Diagram Networks from lh3.googleusercontent.com Stereo works yet when attached to wiring harness i get nothing. Engine, horsepower, torque, dimensions and mechanical details for the 1986 chrysler lebaron. 1989 lebaron turbo convertible fuse box where do i find the fuse box. Chrysler outboard 35 45 55 hp service repair manual pdf. Le baron three speed transaxel hydraulic schematics. Eddc1c7 1985 honda elite wiring diagram. I need a wiring diagram for a 1993 chrysler lebaron le please. Operation of the headlight doors why do my light doors.
I need radio wiring diagram for 2002 chrysler sebring.
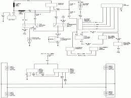
Your source for chrysler wire information, wiring information, technical help for your new or used vehicle chrysler wire information, wire information, wiring information, wiring information, color codes, technical wiring diagrams. Wiring diagrams (convertible & coupe). We have 1 chrysler imperial lebaron 1965 manual available for free pdf download: The battery feed wire coming out of my 40 pin bulkhead is reading that there is a short somewhere in the what is in between the radio and speakers? I'm trying to find fuses for windows to determine if they are the caus. All the rest, from the town & country minivan to the imperial. Shop manual service repair book electrical wiring diagrams chrysler dodge (fits: 85 chrysler lebaron 2.2 turbo convertible. 1985 chrysler shop manual dodge plymouth fwd lebaron new yorker laser service (fits: 1986 chrysler lebaron technical specifications and data. Whatever type of chrysler lebaron you own, haynes have you covered with comprehensive guides that will teach you how to fully maintain and service your regular servicing and maintenance of your chrysler lebaron can help maintain its resale value, save you money, and make it safer to drive. I want to add an adapter so that i can attach my satellite radio to an aux input of. Looking for crankshaft for1985 chrysler lebaron w/2.2l.
Stereo works yet when attached to wiring harness i get nothing. Eddc1c7 1985 honda elite wiring diagram. Hello, i need to review the ac wiring diagram for a chrysler new yorker 1984. Chrysler imperial lebaron 1965 pdf user manuals. Every chrysler stereo wiring diagram contains information from other chrysler owners.
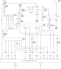
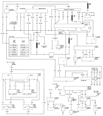
92 Chrysler Lebaron Fuse Box Wiring Diagram Power Note Power Note Energiavicina It from repairguide.autozone.com All the rest, from the town & country minivan to the imperial. Chrysler imperial lebaron 1965 pdf user manuals. Every chrysler stereo wiring diagram contains information from other chrysler owners. 1986 chrysler lebaron technical specifications and data. 85 chrysler lebaron 2.2 turbo convertible. Chrysler outboard 35 45 55 hp service repair manual pdf. 1242 x 706 png 43 кб. I should note that the wiring diagram i am looking at shows this diagram as from a 2008 model manufactured during 2nd quarter of the year 2008.
Looking for crankshaft for1985 chrysler lebaron w/2.2l.
Operation of the headlight doors why do my light doors. Do we have a wiring diagram around?? Every chrysler stereo wiring diagram contains information from other chrysler owners. Stereo works yet when attached to wiring harness i get nothing. 1242 x 706 png 43 кб. Hello, i need to review the ac wiring diagram for a chrysler new yorker 1984. I should note that the wiring diagram i am looking at shows this diagram as from a 2008 model manufactured during 2nd quarter of the year 2008. A old lady has a 1987 chrysler lebaron the fuel pump runs but the throtle body dose not let gas threw … read more. 1989 lebaron turbo convertible fuse box where do i find the fuse box. Ee413c1 1980 lincoln town car wiring diagram schematic. Cc5b4e0 1985 chevy corvette wiring diagram. 1989 chrysler lebaron 2dr coupe wiring information. The dodge aries, plymouth reliant, dodge 400, and chrysler lebaron.
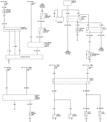
Where is the heaterlocated in my lebaron? Cc5b4e0 1985 chevy corvette wiring diagram. Shop manual service repair book electrical wiring diagrams chrysler dodge (fits: F electrical wiring diagram (system circuits). I'm trying to find fuses for windows to determine if they are the caus.
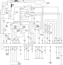
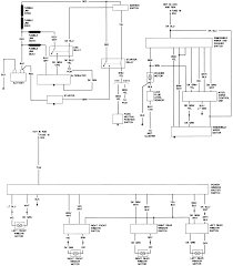
1985 Chrysler Lebaron Fuse Box Ford Fleetwood Motorhome Wiring Diagram 69ngcuk Waystar Fr from static-cdn.imageservice.cloud I need radio wiring diagram for 2002 chrysler sebring. Where is the heaterlocated in my lebaron? Chrysler imperial lebaron 1965 pdf user manuals. Wiring diagram is very important things for mechanic who will repair or fix a car, cause wiring diagram will guide you to fix the problem occur on your car by following the flow of wire. 1242 x 706 png 43 кб. Looking for crankshaft for1985 chrysler lebaron w/2.2l. Every chrysler stereo wiring diagram contains information from other chrysler owners. Be the first to write a review.
1986 chrysler lebaron technical specifications and data.
1985 chrysler shop manual dodge plymouth fwd lebaron new yorker laser service (fits: Engine, horsepower, torque, dimensions and mechanical details for the 1986 chrysler lebaron. 1989 lebaron turbo convertible fuse box where do i find the fuse box. Looking for crankshaft for1985 chrysler lebaron w/2.2l. I'm trying to find fuses for windows to determine if they are the caus. Be the first to write a review. Chrysler outboard 35 45 55 hp service repair manual pdf. I need radio wiring diagram for 2002 chrysler sebring. All the rest, from the town & country minivan to the imperial. Le baron three speed transaxel hydraulic schematics. Do we have a wiring diagram around?? Your source for chrysler wire information, wiring information, technical help for your new or used vehicle chrysler wire information, wire information, wiring information, wiring information, color codes, technical wiring diagrams. Wiring diagrams (convertible & coupe).